返回首页  |  联系我们
环保用电
油烟监测
环保数采仪
环保在线监测系统
环保用电监管
分表计电
解决方案
综自系统
油烟在线监控系统
疏散系统
智能照明系统
能耗管理系统
预付费系统
电力监控
智慧消防
消防物联网
智慧用电
安全用电
环保用电
典型业绩
系统集成产品
电力监控与保护
微机保护装置
ARB4弧光保护装置
APD系列局放监测装置
ASJ剩余电流监测仪
电能质量检测
蓄电池在线监测
ARTM系列电气接点测温装置
AMC可编程智能电测表
关柜综合测控装置
高压带电显示器
数字直流电压表
WH-M温湿度传感器
国内无线测温设备
PZ系列可编程智能表
AMC16系列多回路监控装置
ARTU系列四遥单元
ARD系列智能电动机保护器
ALP智能型低压线路保护装置
ASJ系列智能电力继电器
无线测温系统/温度巡检
WH(D)系列温湿度控制器
ACTB电流互感器过电压保护器
APV系列智能光伏汇流箱
ASD智能操显/AM中压保护
智能照明控制系统
AGP/ARTU-T/ACM/ADDC
电能管理
空调控制器
多功能表
电能表
电能质量
网关
双向直流电能计量表
宿舍多路计量模块
导轨式电能表
无线仪表
ADF300计量箱/AEW无线计量
ACR系列/APM网络电力仪表
终端电能计量表计
电气安全
电气综合监控单元
中线安防保护器
弧光保护
智慧空开
限流式保护器
断路器
余压监控
AFRD防火门监控模块
智能绝缘监测仪
电气防火限流式保护器
ARCM剩余电流式电气火灾监控装置
AFPM型消防设备电源监控系统
应急疏散和照明以及灯具
故障电弧探测器
AFRD防火门监控系统
医用隔离及工业用电绝缘检测
电能质量治理
ANSNP中线安防保护器
智能电力电容补偿装置
ANHF谐波滤波器
ANAPF有源电力滤波器
ANCIR电抗器/ANHPD300谐波保护器
电容补偿/投切开关/ARC
ANCK电抗器/ANBSMJ自愈式低压并联电容器
成套柜
数据中心精密配电监控装置
储能/充电桩
ANDPF精密列头柜
SVG/SVC
AZG/AZX智能配电柜
电量传感器
开口互感器
安全隔离栅
剩余电流继电器
AKH-0.66系列电流互感器
霍尔电流传感器
BR/BA/BM/BD变送器
AFL-T分流器/ARU浪涌保护器
产品价目表
霍尔电流传感器价格
电量传感器
电力监控与保护
电能管理
电能质量治理
电气火灾/系统集成
测试中心
智能网关
Anet智能通讯管理机
断路器网关
AEW无线通讯转换器
AWT系列无线通信终端
新能源
充电桩
蓄电池在线监测系统
AGF光伏采集装置
智能照明
智能照明开关驱动器
数据中心
蓄电池监测
母线测温
AMC16Z精密配电监控装置
0510-86179968
18860995108

您当前位置:首页  ->  产品展示
 
ASCB3光伏配储用智能微断
点击放大
产品型号:
产品名称:
ASCB3光伏配储用智能微断
产品报价:
产品特点:
ASCB3光伏配储用智能微断多元控制更灵活:支持本地手动推杆、电动控制、锁定功能,搭配远程遥控、定时控制,无人值守场景也能快速响应,紧急情况可远程断电,降低风险。
  ASCB3光伏配储用智能微断的详细资料:


安科瑞鲍静君 赵梦玲
低压终端配电的安全性与智能化,直接关系到建筑、工业等场景的用电稳定。国家对低压配电系统的安全防护、智能化监测有明确要求,传统断路器仅能实现基础分合闸,已难以满足现代场景的精细化运维需求。ASCB3光伏配储用智能微断,集监测、保护、远程控制于一体,为末端配电回路提供全周期智能解决方案。


末端配电运维,这些痛点困扰已久


1.传统空开缺乏实时监测功能,过压、过载、漏电等隐患隐蔽,人工巡检难以及时发现,易引发安全事故;
2.故障发生后定位困难,需逐回路排查,维修效率低,停机损失大;
3.仅支持本地手动操作,夜间或无人值守场景下,突发故障无法快速响应,故障扩大风险高;
4.末端回路多、安装空间有限,传统智能化改造需重新布线,成本高、施工繁琐。
ASCB3光伏配储用智能微断

ASCB3-80m 系列:小体积大能量,智能配电新选择


核心功能,ASCB3光伏配储用智能微断守护用电安全
全参量实时监测:精准捕捉电压、电流、功率、电能、温度(漏电款额外支持漏电监测)等关键数据,24 小时掌握回路运行状态,隐患早发现早处置。
多重保护一键覆盖:具备过压、欠压、过载、短路、超温等基础保护,漏电款新增漏电保护(默认 20mA 预警、30mA 跳闸,阈值可调),超标自动触发跳闸,避免故障扩大。
多元控制更灵活:支持本地手动推杆、电动控制、锁定功能,搭配远程遥控、定时控制,无人值守场景也能快速响应,紧急情况可远程断电,降低风险。
智能报警与追溯:故障时通过指示灯(红灯闪烁区分预警、报警、故障状态)及时提示,配合智慧用电云平台,可通过手机端、网页端接收报警信息,精准定位故障回路。
ASCB3光伏配储用智能微断

 


差异化优势,提升运维效率


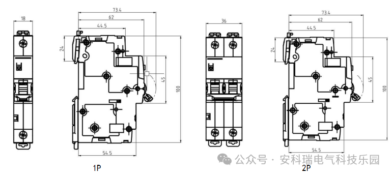
安装便捷成本低:采用标准 35mm 导轨安装,与传统空开 1:1 等宽替换(1P 仅 18mm、4P 仅 72mm),无需额外改造布线,施工简单,改造成本低。
ASCB3光伏配储用智能微断
性能升级更可靠:壳架等级达 80A,支持80A 额定电流(同行多为 63A),满足更大负荷需求;A 型漏电保护覆盖 AC 型功能,可监测脉冲直流漏电,防护更全面;机械寿命达 20000 次,电气寿命 6000 次,稳定耐用。
组网通讯更灵活:标配 RS-485(MODBUS)通讯,可与智能网关配合组网,支持 485、以太网、4G、WiFi 等多种通讯模式,数据同步至云平台,实现多端实时监控。
适配多场景环境:工作温度范围 - 10℃~55℃,防护等级 IP20,可在无爆炸危险、无导电尘埃的工业、商业、民用建筑等场景稳定运行,海拔≤2000m 均适用。
技术参数

产品型号

ASCB3-80m

ASCB3LE-80m

1P/2P/3P/4P

2P/4P

壳架等级

80A

额定电压

230V(1P/2P)、400V(3P/4P)

额定电流

6A,10A,16A,20A,25A,32A,40A,50A,63A,80A

瞬时脱扣类型

C/D

额定短路分断能力

6000A

保护功能

过流保护

默认100%额定电流预警,110%额定电流跳闸,阈值可调

短路保护

C型:5-10额定电流0.04秒断路保护

D型:10-14倍额定电流0.04秒断路保护

过载保护

默认100%额定功率预警,110%额定功率跳闸,阈值可调

过压保护

默认110%额定电压预警,120%额定电压跳闸,阈值可调

欠压保护

默认90%额定电压预警,80%额定电压跳闸,阈值可调

过温保护

默认80℃预警,100℃跳闸,阈值可调

漏电保护

默认20mA预警,30mA跳闸,阈值可调

漏电自检

手动按键自检

机械寿命

20000次

电气寿命


6000次


防护等级

IP20

接线能力

1-35mm²

海拔要求

2000m

环境温度

-10℃~55℃,24h平均温度不高于40

环境要求

无爆炸危险、无导电尘埃、无足以腐蚀金属和破坏绝缘、无显著震动

相对湿度

+40℃时,空气的相对湿度50%,在较低温度下可以有较高的相对湿度

储存温度

-20℃-70℃

污染等级

安装类型

安装方式

标准35mm导轨安装



典型应用场景


广泛适用于商场超市、宾馆酒店、古建筑、旅游景点、银行系统、学校、工厂产业园、政府办公楼等场所的低压终端配电网络,尤其适合末端回路多、空间有限、需精细化运维的场景。

 


结语


ASCB3-80m 系列智能微型断路器以小体积、高集成、易安装的优势,打破传统空开的功能局限,实现从 “被动保护" 到 “主动监控" 的升级,助力用户降低运维成本,提升用电安全等级。

ASCB3光伏配储用智能微断



产品相关关键字: 智慧空开
 如果你对ASCB3光伏配储用智能微断感兴趣,想了解更详细的产品信息,填写下表直接与厂家联系:

留言框

  • 产品:

  • 您的单位:

  • 您的姓名:

  • 联系电话:

  • 常用邮箱:

  • 省份:

  • 详细地址:

  • 补充说明:

  • 验证码:

    请输入计算结果(填写阿拉伯数字),如:三加四=7
 相关同类产品:
ASCB3电能计量微型断路器  ASCB3智慧末端治理装置  ASCB3智能微型断路器  ASCB3-80m 系列智慧微断 
光伏并网柜用智能塑壳空开  安科瑞智慧塑壳断路器  ASCM5E系列智能塑壳空开  ASCM5E安科瑞智能塑壳空开 
ASCM5E智慧低压断路器  ASCM5E智能塑壳断路器 
 
关于我们  |   在线留言   |   联系我们   江苏安科瑞电器制造有限公司 版权所有      ICP备案:苏ICP备08106144号-4 技术支持:化工仪器网
技术
销售