返回首页  |  联系我们
技术中心
0510-86179968
18860995108

您当前位置:首页  ->  技术中心

Acrel1000在某厂区5MW/10MWh分布式储能综合自动化系统应用

点击次数:281 更新时间:2025-12-01

安科瑞鲍静君 赵梦玲

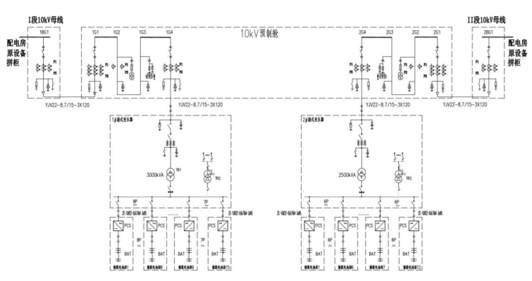
本项目厂区为主要经营范围包括生产销售紧固件、钨钢模具、五金制品、钢丝拉丝、铁道扣件,拥有各类进口自动化生产及检测设备一千余台套,用电负荷较大。本次配置储能容量为5MW/10MWh 的锂电池储能系统3000kVA变压器1台,2500kVA变压器1台,并建设一座10kV开关舱。直流电逆变为690V交流电,最后升压变高压侧以10kV电压等级接入210kV开关舱的进线柜。

image.png 

本工程为 2 个并网点,根据《浙江电网电化学储能电站并网技术要求》,“106)千伏 及以上电压等级并网的电化学储能电站应在并网点装设满足 GB/T 19862 要求的 A 级电能质量在线监测装置"。本期储能并网点以及公共连接点(公司配电房)各装设1套在线式电能质量监测装置,实时检测谐波、负序、电压波动与闪变等电能质量参数。

image.png 

用户总配电房10kV母线侧配置故障解列装置,动作跳总配电房10kV储能接入柜开关。

image.png 

用户10kV总配电房进线柜需配置阶段式方向过流保护,进线柜配置逆功率保护装置,储能接入柜需配置阶段式方向过流保护。

image.png 

配置防孤岛保护装置 2 套。储能系统应具备防孤岛保护功能,并在非计划孤岛情况下,应在 2s 内与电网断开。

image.png 

储能站侧配置频率电压紧急控制装置 2 在频率、电压超出允许范围后跳开储能并网点开关。

image.png 

本方案储能电站并网通信系统应以满足电网安全经济运行对电力通信业务的要求为前提,满足调度自动化、继电保护及安全自动装置等业务对电力通信的要求。应保证远动数据、电能计量数据和电池状态数据的准确稳定可靠104协议传输嘉善调度自动化系统,本期敷设的光纤将晋亿实业储能电站内的相关信息上送 110 千伏惠民变内的通信装置。光缆通道组织:晋亿实业储能电站—光通信—惠民变—光通信—嘉善供电公司,。

image.png 

 

以上就是小安今天为大家分享的内容,还想了解更多的朋友可以后台咨询我们!


关于我们  |   在线留言   |   联系我们   江苏安科瑞电器制造有限公司 版权所有      ICP备案:苏ICP备08106144号-4 技术支持:化工仪器网
技术
销售